Технологический прогресс – реалия времени СиГХ (спецвыпуск: Дороги, мосты, тоннели № 2)
- darkglare
- Сообщения: 2138
- Зарегистрирован: 26 ноя 2006, 07:31
- Станция метро: Автово
- Откуда: Питер
- mx
- Профессионал

- Сообщения: 4124
- Зарегистрирован: 14 сен 2005, 21:32
- Станция метро: -------
- Откуда: 59`50N 30`25E
Re: Технологический прогресс – реалия времени СиГХ (спецвыпуск: Дороги, мосты, тоннели № 2)
Да, московский способ. Вот только как строить двухпутный тоннель закрытым способом? Огромным щитом?
Что-то это в интервью не объясняется.
Что-то это в интервью не объясняется.Всё потому, что кто-то слишком много ест!
-
hi Jack!
- Сообщения: 1161
- Зарегистрирован: 07 дек 2006, 20:58
Re: Технологический прогресс – реалия времени СиГХ (спецвыпуск: Дороги, мосты, тоннели № 2)
Абрамович недавно купил какой-то мегащит
- brutal sam
- Сообщения: 401
- Зарегистрирован: 01 июл 2007, 13:49
- Станция метро: Площадь А. Невского-1
- Откуда: Санкт-Петербург
Re: Технологический прогресс – реалия времени СиГХ (спецвыпуск: Дороги, мосты, тоннели № 2)
Уж явно не для строительства метро в Питере 

- kot
- Профессионал

- Сообщения: 8283
- Зарегистрирован: 21 июл 2007, 17:39
- Станция метро: Озерки
- Откуда: издалека
Re: Технологический прогресс – реалия времени СиГХ (спецвыпуск: Дороги, мосты, тоннели № 2)
Полагаю, собирается проложить тоннель на Луну. 

Если не знаешь, что делать - не делай ничего.
- MaksegZ
- Сообщения: 4551
- Зарегистрирован: 15 янв 2006, 06:54
- Станция метро: Московская
- Откуда: Питер
- Контактная информация:
Re: Технологический прогресс – реалия времени СиГХ (спецвыпуск: Дороги, мосты, тоннели № 2)
Да какая там Луна. На Марс тогда сразу 

Дунайская течёт... как вы судно назовёте, так оно и поплывёт 
"Надо строить быстро, качественно и недорого" © правительство СПб
Создал чат в ТГ, присоединяемся - https://t.me/subwaytalks

"Надо строить быстро, качественно и недорого" © правительство СПб
Создал чат в ТГ, присоединяемся - https://t.me/subwaytalks
- Metroschemes
- Сообщения: 6497
- Зарегистрирован: 22 окт 2005, 04:19
- last_fm: Metroschemes
- Станция метро: Парнас
- Откуда: Питер
- Контактная информация:
- darkglare
- Сообщения: 2138
- Зарегистрирован: 26 ноя 2006, 07:31
- Станция метро: Автово
- Откуда: Питер
- mx
- Профессионал

- Сообщения: 4124
- Зарегистрирован: 14 сен 2005, 21:32
- Станция метро: -------
- Откуда: 59`50N 30`25E
Re: Технологический прогресс – реалия времени СиГХ (спецвыпуск: Дороги, мосты, тоннели № 2)
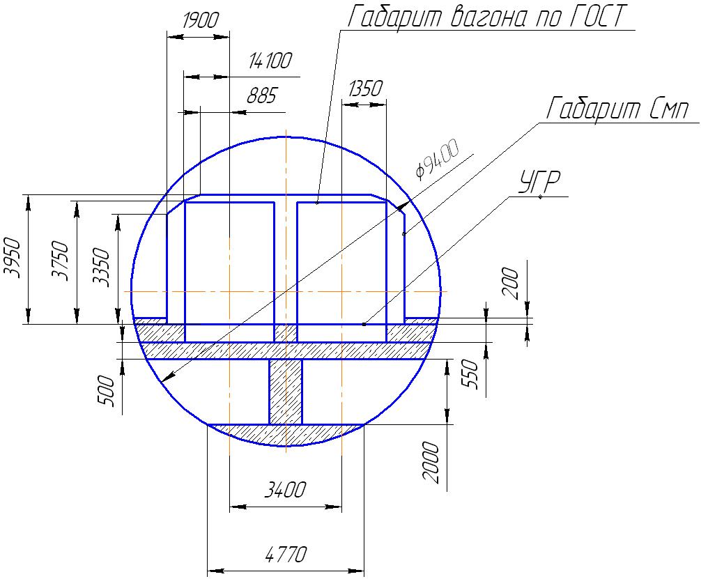
Вообще мысль здравая. Если скорость проходки такая же как и маленьким щитом, а объём породы не очень критичен - получится быстро. Я сомневался по габаритам, но быстренько прикинул:
1) Щит - естественно Херренкнехт
2) Путевая плита - полметра навскидку
3) Высота кабельного коллектора - 2 метра
4) Габарит - возьмём для расчёта Смп (ну не Смк же, он для 5.6)
5) Габарит вагона показан упрощённый, в Смп он в любом случае влезет
6) Стенки между путями нет
Итого:
1) Щит - естественно Херренкнехт
2) Путевая плита - полметра навскидку
3) Высота кабельного коллектора - 2 метра
4) Габарит - возьмём для расчёта Смп (ну не Смк же, он для 5.6)
5) Габарит вагона показан упрощённый, в Смп он в любом случае влезет
6) Стенки между путями нет
Итого:
Всё потому, что кто-то слишком много ест!
- brutal sam
- Сообщения: 401
- Зарегистрирован: 01 июл 2007, 13:49
- Станция метро: Площадь А. Невского-1
- Откуда: Санкт-Петербург
Re: Технологический прогресс – реалия времени СиГХ (спецвыпуск: Дороги, мосты, тоннели № 2)
А какой диаметр у щита Херренкнехт?
- Metroschemes
- Сообщения: 6497
- Зарегистрирован: 22 окт 2005, 04:19
- last_fm: Metroschemes
- Станция метро: Парнас
- Откуда: Питер
- Контактная информация:
-
3112
- Сообщения: 13
- Зарегистрирован: 04 дек 2007, 07:40
- kot
- Профессионал

- Сообщения: 8283
- Зарегистрирован: 21 июл 2007, 17:39
- Станция метро: Озерки
- Откуда: издалека
Re: Технологический прогресс – реалия времени СиГХ (спецвыпуск: Дороги, мосты, тоннели № 2)
Объём породы очень критичен. Это одна из главных составляющих стоимости строительства.mx @ Thu 09 Oct, 2008 01:34 писал(а): объём породы не очень критичен -
Если не знаешь, что делать - не делай ничего.
-
3112
- Сообщения: 13
- Зарегистрирован: 04 дек 2007, 07:40
Два по 6 м - площадь сечения 56,5 м2
Один 10 м - площадь сечения 78,5 м2
Рост объемов в 1.4 раза, но уменьшение суммарной площади стенки туннелей на 20%. И минус стоимость затрат на сбойки, перемонтажные камеры, отсутствие второго пути для отката породы.
Так что вполне вероятный метод для мелкого заложения туннелей и открытом способе строительства станций (но неоправданный для глубокого ввиду сложностей на границах станций)
Один 10 м - площадь сечения 78,5 м2
Рост объемов в 1.4 раза, но уменьшение суммарной площади стенки туннелей на 20%. И минус стоимость затрат на сбойки, перемонтажные камеры, отсутствие второго пути для отката породы.
Так что вполне вероятный метод для мелкого заложения туннелей и открытом способе строительства станций (но неоправданный для глубокого ввиду сложностей на границах станций)
-
aks
- Сообщения: 330
- Зарегистрирован: 19 июл 2008, 11:09
- Станция метро: Брестская
- Откуда: Ленинский проспект
Re: Технологический прогресс – реалия времени СиГХ (спецвыпуск: Дороги, мосты, тоннели № 2)
Интересно. А станции при этом всё-равно будут с платформой в центре? Или по бокам?