Горный институт
- harto
- Сообщения: 13
- Зарегистрирован: 30 дек 2024, 02:25
- Станция метро: Проспект Просвещения
- Откуда: Северная Венеция
Re: Горный институт
Здравствуйте всем.
Поделюсь тоже своими фото по теме новой станций ''Горный институт''.
Поделюсь тоже своими фото по теме новой станций ''Горный институт''.
-
am3plus
- Сообщения: 854
- Зарегистрирован: 30 апр 2015, 19:54
- Станция метро: Московская
Re: Горный институт
Проехал на станцию во втором составе после начала движения с пассажирами. Ажиотаж, конечно, предсказуемый, но на открытиях до Новокрестовской я такого не припомню, да и аудитория сильно моложе стала. Хотя, наверное, это и к лучшему, что молодёжь с транспорта фанатеет.
Мне понравилось, что станция выглядит законченной, даже если где-то остались мелкие штрихи -- в глаза они не бросаются.
У меня был некоторый скепсис по поводу сравнения с проектом, очень не хотелось повторять опыт Дунайской. В этом плане опасения как раз не подтвердились.
Остальное -- чисто замечания. Хитросплетение проводов снизу на платформенных светильниках я тоже заметил, но тоже в глаза особенно не бросается. На декоративные элементы на светильниках в НХ я тоже обратил внимание, но как по мне, кроме как отсутствием единообразия оно не цепляет. С лифтами верно было замечено выше, можно было бы оставить вызов кнопкой без оператора, ничего от этого не перевернулось бы, но так как спуск по эскалатору для их потенциальных пользователей всё равно только с сотрудниками метрополитена, то наверное допустимо. Ну ещё, как это было на всех последних открытиях, многовато пыли, но есть ли возможность с этим справиться...
Про хорошее: станция получилась очень светлой. Дунайская проекте выглядела интереснее, а в итоговой реализации Горный Институт мне больше нравится. В центральном зале очень интересные узоры на дереве скамеек, мне почему-то очень напоминают дорогие шахматы-нарды. Да и, как я понимаю, что в ЦЗ, что на платформах поверхность скамеек сделана из массива, а не из ЛДСП. Часы сверху перед входом на эскалаторы очень кстати. Всю художественность панно я оценить не успел, так как было очень людно, но выглядят они уместно, в сравнении с некоторыми предыдущими мозаиками. Интересные зеркальные двери в торце ЦЗ. Но вестибюль мне понравился едва ли не больше самой станции. Было очень непривычно видеть рамки настолько далеко от турникетов, да и вообще схема вестибюля (три яруса, получается) очень интересная, и главное, что всё просторно! Два уровня потолка в зале с турникетами тоже выглядят восхитительно. Декорация с шахтёрами и золотой жилой интересна и светящимися фонариками, и тем, что примитивный ("низкополигональный") фон даёт возможность сделать акцент на той самой "золотой жиле", хотя она того же цвета, пусть и зеркальная. И вот также радует, что украшений уместное количество: вестибюль не смотрится скучным, но при этом и не изобилует декором на каждой поверхности.
В плане транспортной доступности, я думаю, большее значение будут иметь Театральная и Морской Фасад, но даже сейчас юг В.О. будет разгружен этой станцией. Я также выражаю благодарность всем, кто так или иначе участвовал в строительстве и связанных с ним работах.
P.S. не совсем про Горный Институт, а про открытый участок в целом: я долго думал, в какой степени готовности сдадут Театральную, и текущий вид её платформенных залов превзошёл мои ожидания! Но вот кое с чем я, всё-таки, угадал: свет на платформах горел постоянно только в день открытия участка, вчера уже только проходы подсвечивались. Глядишь, скоро станет тёмной станцией-призраком.
Мне понравилось, что станция выглядит законченной, даже если где-то остались мелкие штрихи -- в глаза они не бросаются.
У меня был некоторый скепсис по поводу сравнения с проектом, очень не хотелось повторять опыт Дунайской. В этом плане опасения как раз не подтвердились.
Остальное -- чисто замечания. Хитросплетение проводов снизу на платформенных светильниках я тоже заметил, но тоже в глаза особенно не бросается. На декоративные элементы на светильниках в НХ я тоже обратил внимание, но как по мне, кроме как отсутствием единообразия оно не цепляет. С лифтами верно было замечено выше, можно было бы оставить вызов кнопкой без оператора, ничего от этого не перевернулось бы, но так как спуск по эскалатору для их потенциальных пользователей всё равно только с сотрудниками метрополитена, то наверное допустимо. Ну ещё, как это было на всех последних открытиях, многовато пыли, но есть ли возможность с этим справиться...
Про хорошее: станция получилась очень светлой. Дунайская проекте выглядела интереснее, а в итоговой реализации Горный Институт мне больше нравится. В центральном зале очень интересные узоры на дереве скамеек, мне почему-то очень напоминают дорогие шахматы-нарды. Да и, как я понимаю, что в ЦЗ, что на платформах поверхность скамеек сделана из массива, а не из ЛДСП. Часы сверху перед входом на эскалаторы очень кстати. Всю художественность панно я оценить не успел, так как было очень людно, но выглядят они уместно, в сравнении с некоторыми предыдущими мозаиками. Интересные зеркальные двери в торце ЦЗ. Но вестибюль мне понравился едва ли не больше самой станции. Было очень непривычно видеть рамки настолько далеко от турникетов, да и вообще схема вестибюля (три яруса, получается) очень интересная, и главное, что всё просторно! Два уровня потолка в зале с турникетами тоже выглядят восхитительно. Декорация с шахтёрами и золотой жилой интересна и светящимися фонариками, и тем, что примитивный ("низкополигональный") фон даёт возможность сделать акцент на той самой "золотой жиле", хотя она того же цвета, пусть и зеркальная. И вот также радует, что украшений уместное количество: вестибюль не смотрится скучным, но при этом и не изобилует декором на каждой поверхности.
В плане транспортной доступности, я думаю, большее значение будут иметь Театральная и Морской Фасад, но даже сейчас юг В.О. будет разгружен этой станцией. Я также выражаю благодарность всем, кто так или иначе участвовал в строительстве и связанных с ним работах.
P.S. не совсем про Горный Институт, а про открытый участок в целом: я долго думал, в какой степени готовности сдадут Театральную, и текущий вид её платформенных залов превзошёл мои ожидания! Но вот кое с чем я, всё-таки, угадал: свет на платформах горел постоянно только в день открытия участка, вчера уже только проходы подсвечивались. Глядишь, скоро станет тёмной станцией-призраком.
Даёшь НеВу на КВЛ!
Станция Волковская платформа справа. Наземный переход на станцию метро Волковская, выход к линии скоростного трамвая.
Станция Дача Долгорукова, платформа слева. Переход на станцию метро Ладожская, выход к трамваю в микрорайон Ржевка.
Станция Волковская платформа справа. Наземный переход на станцию метро Волковская, выход к линии скоростного трамвая.
Станция Дача Долгорукова, платформа слева. Переход на станцию метро Ладожская, выход к трамваю в микрорайон Ржевка.
- harto
- Сообщения: 13
- Зарегистрирован: 30 дек 2024, 02:25
- Станция метро: Проспект Просвещения
- Откуда: Северная Венеция
Re: Горный институт
Забавно, я себя нашел на фото)
Хорошие фотографий получились! С долгожданным открытием!
- Nomernoy
- Профессионал

- Сообщения: 5197
- Зарегистрирован: 10 окт 2005, 16:25
- Станция метро: Театральная
- Откуда: Санкт-Петербург
Re: Горный институт
Увы, нет. Что на "Театральной", что на "Горном институте", что на "Юго-Западной" - это эвакуационные выходы к стволу. Теперь это будет повсеместно. Использовать как задел под пересадочный коридор проблематично - узковаты.

- ArtTrapeza
- Сообщения: 834
- Зарегистрирован: 30 дек 2006, 11:56
- Станция метро: Проспект Просвещения
Re: Горный институт
Кстати, вроде бы первый раз сталкиваюсь в метро со скамейками с узорами на сиденье.
Заметил на фотографии:
Заметил на фотографии:
- Alexsey
- Сообщения: 898
- Зарегистрирован: 25 янв 2005, 13:18
- Станция метро: Парк Победы
- Откуда: Санкт-Петербург метро Парк-Победы
- Контактная информация:
Re: Горный институт
Дмитрий а почему нельзя было сделать нормальный широкий подъем а дальше небольшой коридор и дверь в бок к стволу, а при строительстве перехода достроить коридор на новую линию. Так же на много экономичнее, чем строить новый. Так же и под второй выход наверное можно сделать?
- Alexsey
- Сообщения: 898
- Зарегистрирован: 25 янв 2005, 13:18
- Станция метро: Парк Победы
- Откуда: Санкт-Петербург метро Парк-Победы
- Контактная информация:
Re: Горный институт
А на какой фотке вы себя нашли даже интересно. Мы пересеклись. С одного форума.
- в40
- Профессионал

- Сообщения: 14816
- Зарегистрирован: 05 фев 2009, 19:46
- Станция метро: Проспект Большевиков
- Откуда: Дачное
Re: Горный институт
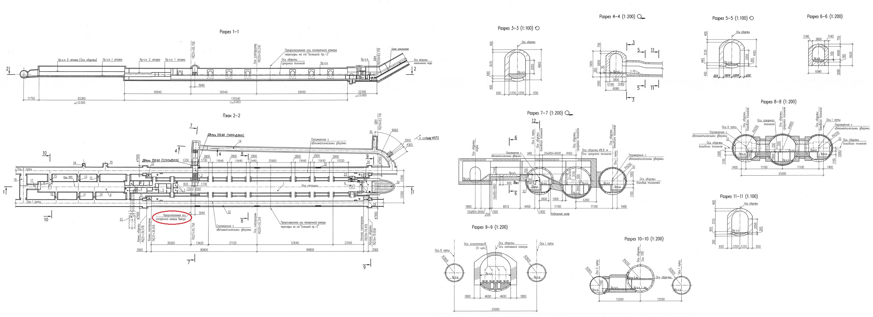
Насколько помню, на "Горном институте", рядом с сооруженной камерой лестничного спуска эвакуационного выхода (над вторым путём), должна быть ещё одна такая же, которую, видимо, чтобы удешевить стоимость работ, сооружать не стали. И эти две камеры как раз предусматривались для примыкания второго выхода в город.
На "Театральной" и "Юго-Западной" - да, это всего лишь эвакуационные выходы.
Вот, смотрите. Взято отсюда.
О=О=О=О=О=О=О=О=О=О=О=О=О=О=О=О=О=О=О
- harto
- Сообщения: 13
- Зарегистрирован: 30 дек 2024, 02:25
- Станция метро: Проспект Просвещения
- Откуда: Северная Венеция
Re: Горный институт
16 фотография. На скамейке сидел. Я вас видел тоже.
- GelezinisVilkas
- Сообщения: 3723
- Зарегистрирован: 15 май 2015, 12:19
- Станция метро: Дунайская
Re: Горный институт
Там же написано «предполагаемая», как и камера на пересадку.
Кстааати! А куда пропали автоматические двери?
- в40
- Профессионал

- Сообщения: 14816
- Зарегистрирован: 05 фев 2009, 19:46
- Станция метро: Проспект Большевиков
- Откуда: Дачное
Re: Горный институт
Предполагаемая ось поперечной камеры выхода - с точностью до миллиметра? Станционный комплекс изначально спроектирован с двумя выходами, один из которых "ушел в тень".
Относительно дверей - хороший вопрос.
Относительно дверей - хороший вопрос.
О=О=О=О=О=О=О=О=О=О=О=О=О=О=О=О=О=О=О
- W0LF
- Сообщения: 769
- Зарегистрирован: 09 ноя 2019, 21:50
- Станция метро: Девяткино
-
Чау-чау
- Сообщения: 2589
- Зарегистрирован: 26 ноя 2011, 19:20
- Станция метро: Шкиперская
Re: Горный институт
Неплохо бы и варианты обхода замедления в комплекте.
- harto
- Сообщения: 13
- Зарегистрирован: 30 дек 2024, 02:25
- Станция метро: Проспект Просвещения
- Откуда: Северная Венеция
-
ленинградец
- Сообщения: 928
- Зарегистрирован: 26 мар 2012, 20:00
- Станция метро: Чернышевская
Re: Горный институт
А какой пассажиропоток,кто нибудь считал?